This set can move a container or platform with a total dynamic load of 36.000kg by 4 x castor with twin wheels 300x100, twist-lock clamp, for ISO shipping container to mount on ISO corner fitting.
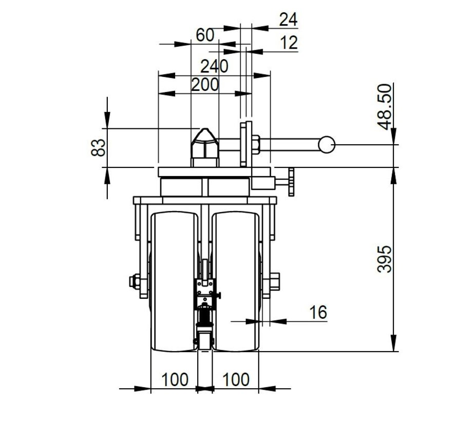
Set of four swivel castors with twin 300x100mm nylon wheels and twist-lock for fitting into ISO 1161-corner castings.
These shipping container castors are made to order with an expected delivery time of 9-14 weeks
How to move shipping containers with loads up to 36,000 KG?
These tow castors with heavy-duty wheels are designed to rigidly clamp to ISO 1161 corner fittings of standard freight containers, mobile generator containers and military communication containers. They provide an efficient way of mobilizing containers with NEN ISO 1161-corners speeds up to a maximum of 6 km/h (3.8 mph)
Each swivel castor support system has a twist-lock fitting assembled with 2 nylon wheels for maximum stability and safety. Wheel diameter 300 mm x wheel width 100 mm. This allows the wheels to roll very smooth and carry heavyweight both at the same time.
A complete set consists of four castors that lock from below into corner castings incorporated into all containers with DIN ISO 1161-corner. please note that our offer is made per individual wheel. you would need to order 4 wheels to get a complete set to move a container.
Applications: moving containers in and out of facilities, alterations, upfits or for complexing and loading shelters. The Container Casters are very rugged products, available in a wide range of capacities and wheel types for different surfaces. please contact our specialists
Sea freight container swivel tow castor system with ISO twist lock | Set of 4 castors offers a maximum load capacity of 36,000kg.
set specifications: A set consists of 4 x swivel castor wheels
- Static carrying capacity per castor: up-to 13 t
- Dynamic carrying capacity per castor: up-to 10 t
- Static carrying capacity system: up-to 40 t static
- Dynamic carrying capacity system: up-to 36 t dynamic
- Dynamic service speed: maximum 6 km/h
- Locking: DIN ISO 1161-corner from below
- corrosion protection: steel parts galvanic zinc, high-grade steel parts
Super high load capacity castor wheels for shipping containers till 36.000 kg
The load capacity of 20,000 to 36,000 kilos is quite challenging. We have to be careful to promise you that the castor wheel systems can carry These loads from many perspectives.
some things which have to be taken into consideration:
- equal distribution of the load over all four wheels: This means 36.000/4 is a maximum of 9,000 kilos per caster wheel.
- the load capacity is also calculated at a maximum speed of 4 km/h
- during movement of the container with the wheels, there should be no thresholds of holes in the travelling surface
- there should be no slope or angle in the running Surface.
- unequal loading of the container and abrupt shocks when the pulling starts can give a peak load on the wheels.
Also, the container itself can be a liability. Our caster wheels fit the container using a twist-lock function that clamps into the container's ISO corner casting. This corner casting has to be of top quality.

