Odkryj nasze kółka o udźwigu 13 000 kg do kontenerów transportowych, zaprojektowane z myślą o trudnym terenie. Zaprojektowane z myślą o wytrzymałości i wyposażone w ulepszony system blokowania śrubą oraz hamulec w piaście.
Przedstawiamy nasze kółka o dużej nośności do kontenerów transportowych, zaprojektowane specjalnie z myślą o najtrudniejszym terenie. Nasze kółka o udźwigu 13 000 kg zapewniają stabilność i bezpieczeństwo kontenerów transportowych w każdych warunkach.
Główne cechy:
- Maksymalna ładowność : Rozkłada do 13 000 kg na 4 koła przy prędkości 4 km/h.
- Nośność pojedynczego koła : do 3750 kg na koło przy prędkości 4 km/h.
- Trwała konstrukcja : Wyposażony w solidne opony gumowe zapewniające większą trwałość.
- Udoskonalony system Twist-Lock : Udoskonalony w lipcu 2025 r. system zwiększa ładowność.
- W zestawie hamulec koła : zapewnia dodatkowe bezpieczeństwo i stabilność podczas transportu.
Aktualizacja produktu:
- Nasz najnowszy model SKU 12150M541X4 wyposażono w udoskonalony system blokady skrętnej, który znacznie zwiększa ładowność.
- Każdy zestaw 4 kół jest teraz wyposażony w dwa zestawy z hamulcami kół, co zapewnia większą kontrolę i bezpieczeństwo.
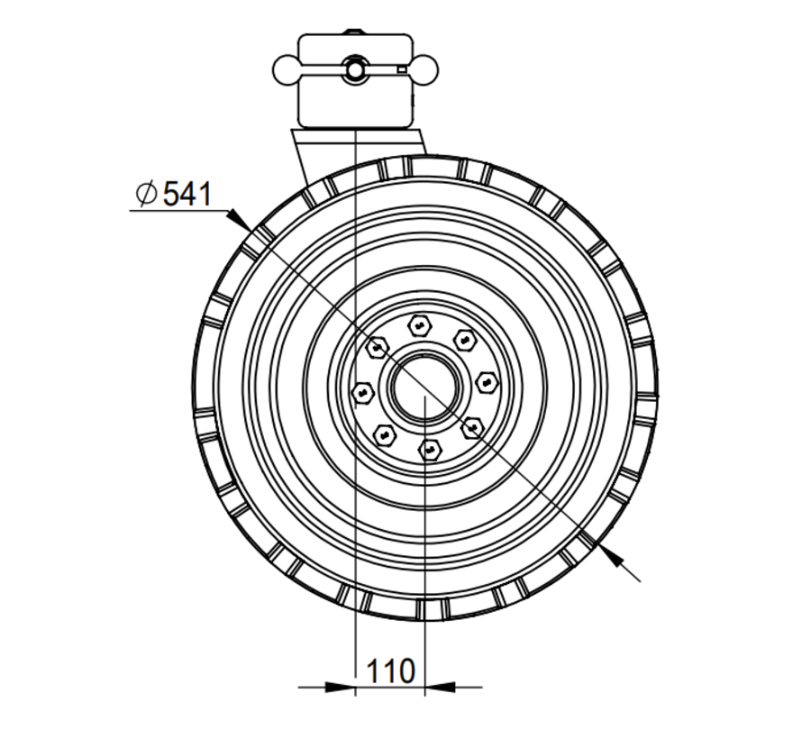
Dane techniczne:
- Średnica koła (A) : 541 mm
- Szerokość koła (B) : 160x2 mm
- Szerokość rozstawu osi (B2) : 528 mm
- Wysokość całkowita (C) : 620 mm
- Maksymalne obciążenie rozłożone na 4 koła przy prędkości 4 km/h : 13 000 kg
- Maksymalne obciążenie na koło przy 4 km/h : 3750 kg
Niezależnie od tego, czy transportujesz kontenery przez port, czy przez teren przemysłowy, nasze kółka do kontenerów transportowych są zaprojektowane tak, aby sprostać najtrudniejszym warunkom. Zaopatrz się w swój zestaw już dziś i doświadcz niezrównanej niezawodności i wydajności.
Szukasz rozwiązania do transportu kontenerów transportowych po nierównym terenie? Nie szukaj dalej. Nasze kółka do kontenerów transportowych zostały zaprojektowane precyzyjnie, aby spełnić Twoje potrzeby, zapewniając solidną pracę i wyjątkową nośność.
Zamów już dziś zestaw kółek do kontenerów transportowych o udźwigu 13 000 kg i zapewnij sobie bezpieczny i efektywny transport cennego ładunku.
Na życzenie możemy dostarczyć produkt w dowolnym kolorze RAL.

