Denna uppsättning kan flytta en container eller plattform med en total dynamisk belastning på 36 000 kg med 4 hjul med dubbla hjul 300x100, vridlåsklämma, för ISO-fraktcontainer för montering på ISO-hörnbeslag.
Sats med fyra svängbara hjul med dubbla 300x100 mm nylonhjul och vridlås för montering i ISO 1161-hörngjutningar.
Dessa hjul för fraktcontainrar tillverkas på beställning med en förväntad leveranstid på 9–14 veckor.
Hur flyttar man fraktcontainrar med last upp till 36 000 kg?
Dessa draghjul med kraftiga hjul är konstruerade för att stadigt fästas vid ISO 1161-hörnbeslag på standardfraktcontainrar, mobila generatorcontainrar och militära kommunikationscontainrar. De erbjuder ett effektivt sätt att mobilisera containrar med NEN ISO 1161-hörnhastigheter upp till maximalt 6 km/h (3,8 mph).
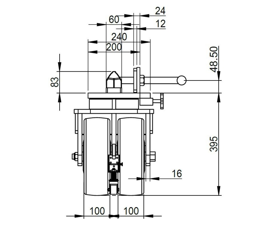
Varje länkhjulsstödsystem har ett vridlåsfäste monterat med 2 nylonhjul för maximal stabilitet och säkerhet. Hjuldiameter 300 mm x hjulbredd 100 mm. Detta gör att hjulen rullar mycket smidigt och samtidigt kan bära tung vikt.
En komplett uppsättning består av fyra hjul som låses underifrån i hörngjutningar som är inbyggda i alla containrar med DIN ISO 1161-hörn. Observera att vårt erbjudande gäller per individuellt hjul. Du skulle behöva beställa fyra hjul för att få en komplett uppsättning för att flytta en container.
Användningsområden: transport av containrar in och ut ur anläggningar, ombyggnader, uppgraderingar eller för komplexbyggnation och lastning av skydd. Containerhjulen är mycket robusta produkter, tillgängliga i en mängd olika kapaciteter och hjultyper för olika ytor. Vänligen kontakta våra specialister.
Svängbara draghjulssystem för sjöfraktscontainrar med ISO-vridlås | En uppsättning med 4 hjul erbjuder en maximal lastkapacitet på 36 000 kg.
Setspecifikationer: Ett set består av 4 x svängbara länkhjul
- Statisk bärförmåga per hjul: upp till 13 t
- Dynamisk bärförmåga per hjul: upp till 10 ton
- Statisk bärkapacitetssystem: upp till 40 t statisk
- Dynamiskt bärförmågassystem: upp till 36 ton dynamiskt
- Dynamisk servicehastighet: max 6 km/h
- Låsning: DIN ISO 1161 - hörn underifrån
- korrosionsskydd: ståldelar galvanisk zink, delar av högkvalitativt stål
Superhög lastkapacitet för fraktcontainrar upp till 36 000 kg
Lastkapaciteten på 20 000 till 36 000 kilo är ganska utmanande. Vi måste vara noga med att lova att länkhjulssystemen kan bära dessa laster från många perspektiv.
några saker som måste beaktas:
- jämn fördelning av lasten över alla fyra hjulen: Det betyder att 36 000/4 är maximalt 9 000 kilo per länkhjul.
- lastkapaciteten är också beräknad vid en maximal hastighet på 4 km/h
- under containerns förflyttning med hjulen får det inte finnas några trösklar eller hål i färdytan.
- det ska inte finnas någon lutning eller vinkel på löpytan.
- ojämn lastning av containern och plötsliga stötar när dragningen börjar kan ge en toppbelastning på hjulen.
Även själva containern kan vara en belastning. Våra hjul monteras på containern med hjälp av en vridlåsfunktion som klämmer fast i containerns ISO-hörngjutning. Denna hörngjutning måste vara av högsta kvalitet.

