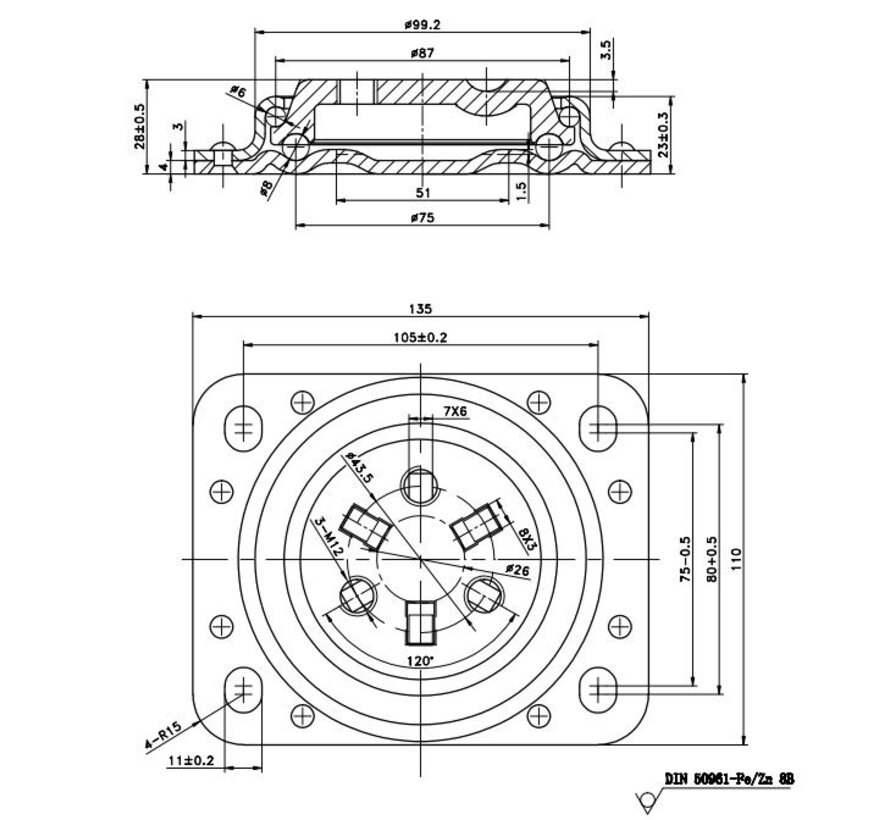
Rolamento de esferas axiais de aço de 360° do anel de giro. Carga máxima 600 kg. Dimensão 138x109 mm diâmetro do furo da placa 11 mm, distância entre furos da placa 105x75/80 mm carga 600 kg
Rolamento de esferas axiais de aço de 360° do anel de giro.
Altura 26mm
Dimensão 138x109mm
Diâmetro do furo da placa 11 mm
Distância entre os furos da placa 105x75/80 mm
carga 600kg
Rolamento giratório Encaixe giratório Placa giratória com rolamentos industriais para serviço pesado,
