Descubra nuestras ruedas para contenedores de envío con capacidad de carga de 13 000 kg, diseñadas para terrenos difíciles. Diseñadas para una mayor durabilidad, cuentan con un sistema de bloqueo de tornillo mejorado y freno de cubo.
Presentamos nuestras ruedas de alta capacidad para contenedores de envío, especialmente diseñadas para los terrenos más difíciles. Nuestras ruedas con capacidad de carga de 13 000 kg garantizan la estabilidad y seguridad de sus contenedores, independientemente del entorno.
Características principales:
- Capacidad máxima de carga : distribuye hasta 13.000 KG en 4 ruedas a 4 km/h.
- Capacidad de rueda individual : soporta hasta 3.750 KG por rueda a 4 km/h.
- Construcción duradera : construida con neumáticos de caucho sólido industriales para una mayor durabilidad.
- Sistema Twist-Lock mejorado : mejorado en julio de 2025, este sistema aumenta las capacidades de carga.
- Freno de rueda incluido : garantiza mayor seguridad y estabilidad durante el transporte.
Actualización del producto:
- Nuestro último SKU 12150M541X4 ahora cuenta con un sistema de bloqueo giratorio mejorado, que aumenta significativamente las capacidades de carga.
- Cada juego de 4 sistemas de ruedas ahora está equipado con dos juegos que tienen un freno de rueda para mayor control y seguridad.
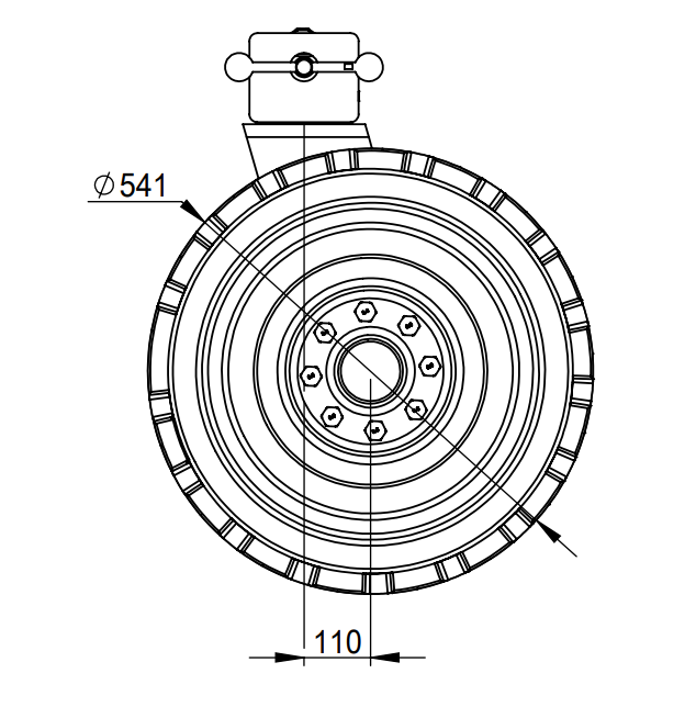
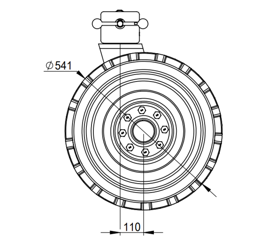
Presupuesto:
- Diámetro de la rueda (A) : 541 mm
- Ancho de la rueda (B) : 160x2 mm
- Ancho de la distancia entre ejes (B2) : 528 mm
- Altura total (C) : 620 mm
- Carga máxima distribuida sobre 4 ruedas a 4 km/h : 13.000 kg
- Carga máxima por rueda a 4 km/h : 3750 kg
Ya sea que transporte contenedores por un puerto o una planta industrial, nuestras ruedas para contenedores de envío están diseñadas para soportar las condiciones más duras. Adquiera su juego hoy mismo y disfrute de una fiabilidad y un rendimiento inigualables.
¿Busca una solución para mover sus contenedores de envío por terrenos difíciles? No busque más. Nuestras ruedas para contenedores de envío están diseñadas con precisión para satisfacer sus necesidades, ofreciendo un rendimiento robusto y una capacidad de carga excepcional.
Solicite hoy su juego de ruedas para contenedores de envío con capacidad de carga de 13 000 kg y garantice un transporte seguro y eficiente de su valiosa carga.
Se puede suministrar en cualquier color RAL bajo pedido.

