SPK 201K Rueda de oruga con brida de hierro fundido - Industrialwheels.com - Ruedas a los mejores precios

Volver atrás

Rueda de oruga con brida de fundición, cojinete de bolas de precisión, Ø de rueda 200 mm, 3000 kg

Descripción del producto

Rueda de oruga con brida de fundición, cojinete de bolas de precisión, Ø de rueda 200 mm, 3000 kg

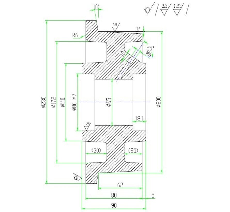
SPK 201K: Núcleo de rueda de fundición gris con cojinetes de bolas.

Características: Ruedas con pestaña (simples) de fundición especial, pintadas. La pestaña y la banda de rodadura son de hilado puro. La banda de rodadura se extiende a un ángulo de 3 grados desde la pestaña. A partir del diámetro de 150 mm, se instala una boquilla de engrase. Las ruedas están disponibles con cojinetes lisos o de bolas.

Calidad y servicio desde 1946

Calidad y servicio desde 1946

Nuestra calidad es crear una vida laboral más fácil para el usuario de la rueda.

Más información

Industrialwheels.com es la gama de ruedas más popular de nuestro grupo de empresas. Más de doscientos cincuenta empleados se centran en la fabricación y desarrollo de ruedas de alta calidad para el mercado europeo.

Rueda de oruga con brida de fundición, cojinete de bolas de precisión, Ø de rueda 200 mm, 3000 kg

Rueda de oruga con brida de fundición, cojinete de bolas de precisión, Ø de rueda 200 mm, 3000 kg

en el plazo de 3 días laborables

  • Queremos hacer su vida laboral más fácil Tooltip Díganos lo que necesita
  • Entrega rápida
  • Modelos CAD 3D
  • Servicio de ingeniería
  • Estimated time: en el plazo de 3 días laborables

Información del Producto

  • SKU 100026202
  • EAN 8718116074861

Especificaciones

  • Diámetro de la rueda (mm) 200
  • Capacidad de carga (kg) 3000
  • Tipo de rodamiento Rodamiento de bolas
  • Longitud del cubo (mm) 90
  • Ø del orificio del eje (mm) 40
  • Pisa rueda de hierro fundido
  • Descripción de la banda de rodadura Rueda con pestaña fabricada en hierro fundido de alta calidad. La corona de oruga y la banda de rodadura están limpiamente desviadas. La banda de rodadura desciende desde la corona de orugas en un ángulo de 3 grados.
  • Tipo de rueda Ruedas de pestaña / pista / diábolo
  • Anchura de rueda sin pestaña 62
  • Diámetro de la rueda con brida 230
  • Diámetro con brida 230
  • Brida Espesor / Anchura 18
  • Serie 100.02

Vistos recientemente

Comparar productos Delete all products

You can compare a maximum of 3 products

Hide compare box
Rueda de oruga con brida de fundición, cojinete de bolas de precisión, Ø de rueda 200 mm, 3000 kg

Rueda de oruga con brida de fundición, cojinete de bolas de precisión, Ø de rueda 200 mm, 3000 kg

×

Cargar dibujo técnico (OE)

* Campos obligatorios