Este conjunto puede mover un contenedor o plataforma con una carga dinámica total de 36.000 kg mediante 4 ruedas gemelas de 300 x 100, abrazadera de bloqueo giratorio, para contenedor de envío ISO para montar en accesorio de esquina ISO.
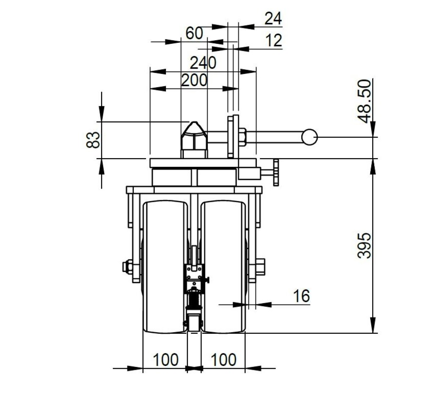
Juego de cuatro ruedas giratorias con dos ruedas de nailon de 300 x 100 mm y bloqueo giratorio para montaje en piezas fundidas de esquina ISO 1161.
Estas ruedas para contenedores de envío se fabrican bajo pedido con un plazo de entrega previsto de 9 a 14 semanas.
¿Cómo mover contenedores marítimos con cargas de hasta 36.000 KG?
Estas ruedas de remolque de alta resistencia están diseñadas para sujetarse firmemente a las esquinas ISO 1161 de contenedores de carga estándar, contenedores para generadores móviles y contenedores de comunicaciones militares. Ofrecen una forma eficiente de movilizar contenedores con esquinas NEN ISO 1161 a velocidades máximas de 6 km/h (3,8 mph).
Cada sistema de soporte para ruedas giratorias cuenta con un sistema de bloqueo giratorio, ensamblado con dos ruedas de nailon para máxima estabilidad y seguridad. Diámetro de rueda: 300 mm x ancho: 100 mm. Esto permite que las ruedas giren con gran suavidad y soporten peso pesado simultáneamente.
Un juego completo consta de cuatro ruedas que se bloquean desde abajo en las esquinas fundidas incorporadas en todos los contenedores con esquinas DIN ISO 1161. Tenga en cuenta que nuestra oferta se realiza por rueda individual. Necesitaría pedir 4 ruedas para obtener un juego completo para mover un contenedor.
Aplicaciones: traslado de contenedores dentro y fuera de instalaciones, reformas, acondicionamiento o para la construcción y carga de refugios. Las ruedas para contenedores son productos muy robustos, disponibles en una amplia gama de capacidades y tipos de ruedas para diferentes superficies. Contacte con nuestros especialistas.
Sistema de ruedas giratorias de remolque para contenedores de carga marítima con bloqueo giratorio ISO | El juego de 4 ruedas ofrece una capacidad de carga máxima de 36.000 kg.
Especificaciones del juego: Un juego consta de 4 ruedas giratorias.
- Capacidad de carga estática por rueda: hasta 13 t
- Capacidad de carga dinámica por rueda: hasta 10 t
- Capacidad de carga estática del sistema: hasta 40 t estáticas
- Sistema de capacidad de carga dinámica: hasta 36 t dinámicas
- Velocidad de servicio dinámico: máximo 6 km/h
- Cierre: DIN ISO 1161 - esquina desde abajo
- protección contra la corrosión: piezas de acero galvanizadas, piezas de acero de alta calidad
Ruedas giratorias de gran capacidad de carga para contenedores de envío de hasta 36.000 kg
La capacidad de carga de 20 000 a 36 000 kilos es todo un reto. Debemos asegurarle que los sistemas de ruedas giratorias pueden soportar estas cargas desde diversas perspectivas.
Algunas cosas que hay que tener en cuenta:
- distribución uniforme de la carga sobre las cuatro ruedas: esto significa que 36.000/4 es un máximo de 9.000 kilos por rueda giratoria.
- La capacidad de carga también se calcula a una velocidad máxima de 4 km/h.
- durante el movimiento del contenedor con ruedas, no deben existir umbrales ni agujeros en la superficie de rodadura
- No debe haber ninguna pendiente o ángulo en la superficie de carrera.
- La carga desigual del contenedor y los golpes bruscos al iniciar el remolque pueden generar una carga máxima en las ruedas.
Además, el propio contenedor puede ser un inconveniente. Nuestras ruedas giratorias se ajustan al contenedor mediante un sistema de bloqueo giratorio que se fija a la esquina ISO del contenedor. Esta esquina debe ser de la mejor calidad.

