Mit diesem Set können Sie einen Container oder eine Plattform mit einer dynamischen Gesamtlast von 36.000 kg bewegen. Dafür verwenden Sie 4 Lenkrollen mit Zwillingsrädern 300 x 100 und Twistlock-Klemme, für ISO-Versandcontainer zur Montage an ISO-Eckbesch
Satz aus vier Lenkrollen mit zwei 300 x 100 mm großen Nylonrädern und Drehverschluss zur Montage in ISO 1161-Eckbeschlägen.
Diese Transportbehälterrollen werden auf Bestellung gefertigt und haben eine voraussichtliche Lieferzeit von 9-14 Wochen.
Wie bewegt man Schiffscontainer mit einer Last von bis zu 36.000 kg?
Diese Schlepprollen mit Schwerlasträdern sind für die starre Befestigung an ISO 1161-Eckbeschlägen von Standard-Frachtcontainern, mobilen Generatorcontainern und militärischen Kommunikationscontainern konzipiert. Sie ermöglichen die effiziente Mobilisierung von Containern mit NEN ISO 1161-Ecken bei Geschwindigkeiten von bis zu 6 km/h.
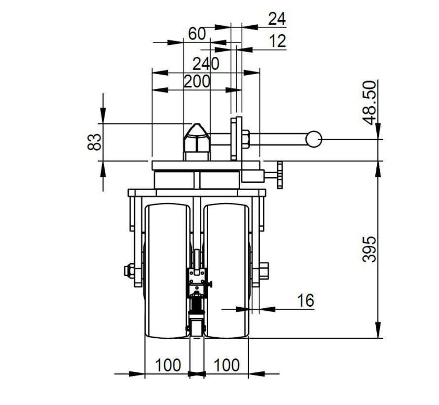
Jedes Lenkrollensystem verfügt über einen Drehverschluss mit zwei Nylonrädern für maximale Stabilität und Sicherheit. Raddurchmesser 300 mm x Radbreite 100 mm. Dadurch rollen die Räder sehr leicht und können gleichzeitig schwere Lasten tragen.
Ein kompletter Satz besteht aus vier Rollen, die von unten in die Eckbeschläge einrasten, die in allen Containern mit DIN ISO 1161-Ecke eingebaut sind. Bitte beachten Sie, dass unser Angebot pro einzelnem Rad erfolgt. Sie müssten 4 Räder bestellen, um einen kompletten Satz zum Bewegen eines Containers zu erhalten.
Anwendungen: Containertransport in und aus Anlagen, Umbauten, Aufrüstungen oder für den Komplex- und Laderaumbau. Die Containerrollen sind äußerst robust und in vielen verschiedenen Tragfähigkeiten und Radtypen für unterschiedliche Oberflächen erhältlich. Kontaktieren Sie unsere Spezialisten.
Lenkrollensystem für Seefrachtcontainer mit ISO-Drehverschluss | 4er-Set bietet eine maximale Tragfähigkeit von 36.000 kg.
Set-Spezifikationen: Ein Set besteht aus 4 x Lenkrollen
- Statische Tragkraft pro Rolle: bis zu 13 t
- Dynamische Tragkraft pro Rolle: bis zu 10 t
- Statische Tragfähigkeit System: bis zu 40 t statisch
- Dynamische Tragfähigkeit System: bis zu 36 t dynamisch
- Dynamische Betriebsgeschwindigkeit: maximal 6 km/h
- Verriegelung: DIN ISO 1161-Ecke von unten
- Korrosionsschutz: Stahlteile galvanisch verzinkt, Edelstahlteile
Lenkrollen mit extrem hoher Tragfähigkeit für Versandcontainer bis 36.000 kg
Die Tragfähigkeit von 20.000 bis 36.000 Kilo stellt eine ziemliche Herausforderung dar. Wir müssen vorsichtig sein, um Ihnen zu versprechen, dass die Lenkrollensysteme diese Lasten aus vielen Perspektiven tragen können.
einige Dinge, die berücksichtigt werden müssen:
- gleichmäßige Verteilung der Last auf alle vier Räder: Das bedeutet 36.000/4 sind maximal 9.000 Kilo pro Lenkrad.
- die Tragfähigkeit ist ebenfalls bei einer Höchstgeschwindigkeit von 4 km/h berechnet
- Beim Bewegen des Containers mit den Rädern dürfen keine Schwellen oder Löcher in der Fahrfläche vorhanden sein
- Die Lauffläche darf keine Neigung oder Winkel aufweisen.
- Ungleichmäßige Beladung des Containers und abrupte Stöße beim Anfahren können zu Spitzenbelastungen der Räder führen.
Auch der Container selbst kann eine Belastung darstellen. Unsere Lenkrollen werden mit einer Drehverriegelung am Container befestigt und in die ISO-Eckbeschläge des Containers eingespannt. Diese Eckbeschläge müssen von höchster Qualität sein.

